web stats

1994 Jeep YJ Wiring – The Off-Roader’s Electrical Guide! Wiring diagram: jeep yj turn signals

If you are looking for Jeep Wrangler Yj Stereo Wiring Diagram - Wiring Diagram and Schematic you've visit to the right page. We have 25 Images about Jeep Wrangler Yj Stereo Wiring Diagram - Wiring Diagram and Schematic like 1994 YJ Wiring Pin out Request | Jeep Enthusiast Forums, Jeep Wrangler Yj Stereo Wiring Diagram - Wiring Diagram and Schematic and also Wiring Diagram: Jeep YJ Turn Signals. Here it is:

Jeep Wrangler Yj Stereo Wiring Diagram - Wiring Diagram And Schematic

Jeep Wrangler Yj Stereo Wiring Diagram - Wiring Diagram and Schematic wiring.hpricorpcom.com

Jeep Wrangler Yj Stereo Wiring Diagram - Wiring Diagram and Schematic

Jeep Wrangler Yj Wiring Diagram - Wiring Diagram

jeep wrangler yj wiring diagram - Wiring Diagram wiringdiagram.2bitboer.com

jeep wrangler yj wiring diagram - Wiring Diagram

Connector For 1994 Wrangler Yj | Jeep Enthusiast Forums

Connector for 1994 Wrangler Yj | Jeep Enthusiast Forums www.jeepforum.com

Connector for 1994 Wrangler Yj | Jeep Enthusiast Forums

1994 YJ Wiring Pin Out Request | Jeep Enthusiast Forums

1994 YJ Wiring Pin out Request | Jeep Enthusiast Forums www.jeepforum.com

1994 YJ Wiring Pin out Request | Jeep Enthusiast Forums

1991 Jeep Yj Wiring Diagram - Wiring Diagram

1991 Jeep Yj Wiring Diagram - Wiring Diagram wiringdiagram.2bitboer.com

1991 Jeep Yj Wiring Diagram - Wiring Diagram

1990 Jeep Wrangler Yj Wiring Diagram - Wiring Diagram

1990 Jeep Wrangler Yj Wiring Diagram - Wiring Diagram wiringdiagram.2bitboer.com

1990 Jeep Wrangler Yj Wiring Diagram - Wiring Diagram

Jeep YJ Wiring Diagram

Jeep YJ Wiring Diagram www.iwantajeep.net

Jeep YJ Wiring Diagram

1994 Jeep YJ I Feel Dumb For Asking

1994 Jeep YJ I Feel Dumb for Asking www.2carpros.com

1994 Jeep YJ I Feel Dumb for Asking

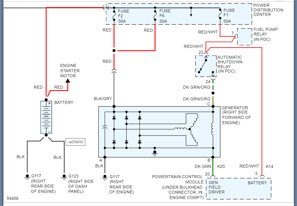
Alternator Wiring?: I Have A 1994 Jeep Wrangler Yj. I Am Having A

Alternator Wiring?: I Have a 1994 Jeep Wrangler Yj. I Am Having a www.2carpros.com

Alternator Wiring?: I Have a 1994 Jeep Wrangler Yj. I Am Having a ...

1993 Jeep Wrangler Yj Wiring Diagram - Wiring Diagram

1993 Jeep Wrangler Yj Wiring Diagram - Wiring Diagram wiringdiagram.2bitboer.com

1993 Jeep Wrangler Yj Wiring Diagram - Wiring Diagram

94 Yj Jeep Schematic Diagram » Wiring Flow Line

94 Yj Jeep Schematic Diagram » Wiring Flow Line www.wiringflowline.com

94 Yj Jeep Schematic Diagram » Wiring Flow Line

[DIAGRAM] 1994 Jeep Wrangler Yj Wiring Diagram - WIRINGSCHEMA.COM

[DIAGRAM] 1994 Jeep Wrangler Yj Wiring Diagram - WIRINGSCHEMA.COM wiringschema.com

[DIAGRAM] 1994 Jeep Wrangler Yj Wiring Diagram - WIRINGSCHEMA.COM

1991 Jeep Yj Wiring Diagram - Wiring Diagram

1991 Jeep Yj Wiring Diagram - Wiring Diagram wiringdiagram.2bitboer.com

1991 Jeep Yj Wiring Diagram - Wiring Diagram

Wiring Diagram: Jeep YJ Turn Signals

Wiring Diagram: Jeep YJ Turn Signals signalwires.com

Wiring Diagram: Jeep YJ Turn Signals

1994 Jeep Wrangler Yj Wiring Diagram - Diagram Ear

1994 Jeep Wrangler Yj Wiring Diagram - diagram ear diagramear.blogspot.com

1994 Jeep Wrangler Yj Wiring Diagram - diagram ear

Wiring Diagram 95 Jeep Yj - Wiring Diagram

Wiring Diagram 95 Jeep Yj - Wiring Diagram wiringdiagram.2bitboer.com

Wiring Diagram 95 Jeep Yj - Wiring Diagram

94 Yj Jeep Schematic Diagram » Wiring Digital And Schematic

94 Yj Jeep Schematic Diagram » Wiring Digital And Schematic www.wiringdigital.com

94 Yj Jeep Schematic Diagram » Wiring Digital And Schematic

Alternator Wiring?: I Have A 1994 Jeep Wrangler Yj. I Am Having A

Alternator Wiring?: I Have a 1994 Jeep Wrangler Yj. I Am Having a www.2carpros.com

Alternator Wiring?: I Have a 1994 Jeep Wrangler Yj. I Am Having a ...

1993 Jeep Wrangler Yj Wiring Diagram - Wiring Diagram

1993 Jeep Wrangler Yj Wiring Diagram - Wiring Diagram wiringdiagram.2bitboer.com

1993 Jeep Wrangler Yj Wiring Diagram - Wiring Diagram

1991 Jeep Yj Wiring Diagram - Wiring Diagram

1991 Jeep Yj Wiring Diagram - Wiring Diagram wiringdiagram.2bitboer.com

1991 Jeep Yj Wiring Diagram - Wiring Diagram

Need Help On 94 YJ Steering Column Wiring | Jeep Enthusiast Forums

Need help on 94 YJ Steering Column Wiring | Jeep Enthusiast Forums www.jeepforum.com

Need help on 94 YJ Steering Column Wiring | Jeep Enthusiast Forums

1992 Jeep Wrangler Yj Wiring Diagram - Wiring Diagram

1992 Jeep Wrangler Yj Wiring Diagram - Wiring Diagram wiringdiagram.2bitboer.com

1992 Jeep Wrangler Yj Wiring Diagram - Wiring Diagram

94 Yj Jeep Schematic Diagram » Wiring Digital And Schematic

94 Yj Jeep Schematic Diagram » Wiring Digital And Schematic www.wiringdigital.com

94 Yj Jeep Schematic Diagram » Wiring Digital And Schematic

1991 Jeep Yj Wiring Diagram - Wiring Diagram

1991 Jeep Yj Wiring Diagram - Wiring Diagram wiringdiagram.2bitboer.com

1991 Jeep Yj Wiring Diagram - Wiring Diagram

1990 YJ 4.2 Electrical Component ID | Jeep Enthusiast Forums

1990 YJ 4.2 Electrical Component ID | Jeep Enthusiast Forums www.jeepforum.com

1990 YJ 4.2 Electrical Component ID | Jeep Enthusiast Forums

jeep yj wiring diagram. 1994 jeep yj i feel dumb for asking. Alternator wiring?: i have a 1994 jeep wrangler yj. i am having a ...